Bluesky Facebook Reddit Email

New methods for optimization of vibration shock protection systems are proposed

09.04.19 | Lobachevsky University

Anker Laptop Power Bank 25,000mAh (Triple 100W USB-C)

Anker Laptop Power Bank 25,000mAh (Triple 100W USB-C) keeps Macs, tablets, and meters powered during extended observing runs and remote surveys.


Nowadays the words "uncertainty" and "multicriteria" characterize in a best way the relevance and complexity of modern problems of management of a variety of dynamic objects and processes.

In fact, any mathematical model describing complex controlled processes inevitably includes inaccuracies in the description of existing disturbances and parameters of the object under control. Ignoring such "uncertainty" often leads to fatal errors in the functioning of real management systems. On the other hand, the different requirements for the management system are usually contradictory. This leads to the elaboration of multi-criteria tasks, that in case of a successful solution allow to exclude at least knowingly "inefficient" solutions.

It is well known, that multi-criteria management tasks are very difficult to perform. These difficulties are amplified many times due to the uncertainty in the setting of the current disturbances. Thus, the development of the theory and methods of solving these problems seems to be relevant in both theoretical and applied aspects.

According to professor of the Institute of Informational Technologies, Mathematics and Mechanics Dr. Dmitry V. Balandin, the object of the study is a system of ordinary differential equations or partial differential equations. It is assumed that a dynamic object is subject to external influence, with respect to which it is known only that it belongs to a given class. In addition, the initial conditions for the system under consideration are also assumed to be unknown and belonging to a given set.

"The indicators characterizing the transients for the entire class of external influences and initial conditions, called maximum deviations of the system outputs, are introduced for the system under consideration. In essence, these indicators determine the maximum response of the system at the "worst" (most dangerous) external exposure and initial state» - mentioned prof. Balandin.

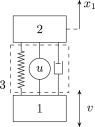
As a result, new methods and algorithms for numerical solution of problems of synthesis of the laws of optimal control of dynamic objects in the form of the inverse with the criteria in the form of maximum deviations of the system outputs are proposed. As an application, a new class of problems of optimal vibration shock protection of elastic objects is considered, the criteria of which are the maximum deformation of the elastic object of protection and the maximum deformation of the vibration isolating device. Tasks consist in finding feedback characterizing the vibration absorber and minimize the above-mentioned criteria in Pareto. In order to resolve this class of problems, the above-mentioned approach is applied to optimal control problems using the Hermeier convolution and the technique of linear matrix inequalities.

The two-criteria task of optimal vibration protection of a multi-storey high-rise building from seismic and wind impacts is considered in detail. A set of Pareto is constructed, as well as a comparison of the "ideal" Pareto of the optimal insulator, i.e. the control device, the feedback of which assumes the presence of current information about all variables of the state of the mechanical system under consideration, with the optimal insulators of active and passive types having a simpler structure of the control device.

The application of the developed methods of synthesis of the laws of optimal multi-criteria control to the vibration shock protection systems optimization problems is a pioneer and contributes to a significant advance in the theory and practice of vibration shock protection.

###

Automatica

10.1016/j.automatica.2019.04.023

Keywords

Article Information

Contact Information

Nikita Avralev
pr@unn.ru

How to Cite This Article

APA:
Lobachevsky University. (2019, September 4). New methods for optimization of vibration shock protection systems are proposed. Brightsurf News. https://www.brightsurf.com/news/19VX3OJ8/new-methods-for-optimization-of-vibration-shock-protection-systems-are-proposed.html
MLA:
"New methods for optimization of vibration shock protection systems are proposed." Brightsurf News, Sep. 4 2019, https://www.brightsurf.com/news/19VX3OJ8/new-methods-for-optimization-of-vibration-shock-protection-systems-are-proposed.html.