Bluesky Facebook Reddit Email

A 'bridge' of carbon between nerve tissues

07.15.16 | International School of Advanced Studies (SISSA)

Kestrel 3000 Pocket Weather Meter

Kestrel 3000 Pocket Weather Meter measures wind, temperature, and humidity in real time for site assessments, aviation checks, and safety briefings.


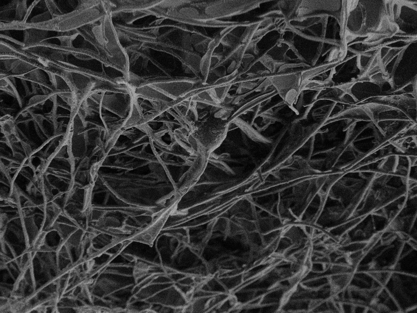
"Under the microscope, it looks like a knotted tangle of tubes. It was initially studied by Maurizio De Crescenzi's team at the University of Rome Tor Vergata for cleaning up spilled hydrocarbons in the sea," explains Laura Ballerini, SISSA Professor and coordinator of the recently-published study. It was Maurizio Prato's intuition, however, that pushed them to investigate the possibility of applying such a material to nerve tissue. The idea of developing the hybrids of neurons and nano-materials was the result of a long-term project and collaboration between Prato (University of Trieste) and Ballerini's (SISSA) groups.

In the present study, Ballerini and her team first investigated the material's reaction to nerve tissue in vitro. "We explanted two spinal cord segments and cultured them together but separated by 300 microns," says Sadaf Usmani, a PhD student at the School and first author of the study. "In those conditions, without any scaffolds reconstructing the space between the two explants, we observed growth of nerve fibers which extended in a straight bundles in any direction, but not necessarily towards the other tissue. If we insert a small piece of the carbon sponge into the space between the two, however, we see dense growth of nerve fibers that fill the structure and intertwine with the other sample."

"Observing fiber reaching the contralateral explant is not enough, however," points out University of Trieste researcher and one of the authors of the study, Denis Scaini. "You have to show that there is a functional connection between the two populations of neurons." For this, SISSA Professor, David Zoccolan and his team's contribution was crucial. "With signal analysis techniques they had already developed, we were able to demonstrate two things: first, that spontaneous nervous activity in the two samples was actually correlated, indicating a connection, that was not there when the sponge was absent, and second,, that by applying an electrical signal to one of the samples, the activity of the second sample could be triggered, but only when the nanotubes were present."

Tests for Biocompatibility

The results in the lab were extremely positive. But this was not sufficient for Ballerini and her colleagues. "In order to continue to invest additional energy and resources to the study for potential applications, is crucial to test if the material is accepted by living organisms without negative consequences," says Ballerini.

To perform these tests, Ballerini's team worked closely with SISSA Post-Doc researcher, and member of Zoccolan's team, Federica Rosselli. "We implanted small portions of the material into the brain of healthy rodents. After four weeks, we observed that the material was well tolerated. There were limited scars, as well as low immune responses, some biological indicators even showed that there could be positive implications. There was also a progressive invasion of neurons within the sponge. The rats were vital and healthy during the entire four weeks," says Usmani.

"In conclusion," says Ballerini, "the excellent results at the structural and functional level in vitro and in vivo showed biocompatibility are encouraging us to continue this line of research. These materials could be useful for covering electrodes used for treating movement disorders like Parkinson's because they are well accepted by tissue, while the implants being used today become less effective over time because of scar tissue. We hope this encourages other research teams with multidisciplinary expertise to expand this type of study even further."

###

Science Advances

Keywords

Article Information

Contact Information

Source

How to Cite This Article

APA:
International School of Advanced Studies (SISSA). (2016, July 15). A 'bridge' of carbon between nerve tissues. Brightsurf News. https://www.brightsurf.com/news/86GP2YRL/a-bridge-of-carbon-between-nerve-tissues.html
MLA:
"A 'bridge' of carbon between nerve tissues." Brightsurf News, Jul. 15 2016, https://www.brightsurf.com/news/86GP2YRL/a-bridge-of-carbon-between-nerve-tissues.html.