Bluesky Facebook Reddit Email

Using lasers to vaporize tissue at multiple points simultaneously

09.13.11 | Optica

CalDigit TS4 Thunderbolt 4 Dock

CalDigit TS4 Thunderbolt 4 Dock simplifies serious desks with 18 ports for high-speed storage, monitors, and instruments across Mac and PC setups.


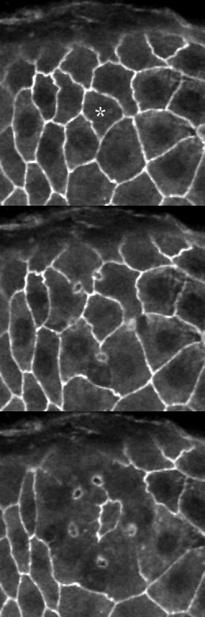
WASHINGTON, Sept. 13—Researchers at Vanderbilt University have developed a new technique that uses a single UV laser pulse to zap away biological tissue at multiple points simultaneously, a method that could help scientists study the mechanical forces at work as organisms grow and change shape.

UV lasers are a commonly-used tool for cutting into tissue, but the lasers usually make incisions by vaporizing one point at a time in a series of steps. If the initial laser pulse cuts into cells under tension, the tissue could spring back from the incision. This makes precise tasks, such as cutting around a single cell, difficult. The Vanderbilt team found a way around this problem by using a computer-controlled hologram to shape the phase profile of the UV pulse –basically applying a patterned delay onto different parts of the beam. When the pulse then passed through a lens, the altered phase profile yielded an interference pattern with bright spots at any user-desired pattern of points. Using this method, which can vaporize up to 30 points simultaneously, the researchers successfully isolated a single cell on a developing fruit fly embryo and then observed how the cell relaxed into a shape dictated solely by internal forces.

The technique, described in the September issue of the Optical Society's (OSA) open-access journal Biomedical Optics Express, could be applied to other model organisms, such as frogs or zebra fish, to help answer outstanding questions in developmental biology. This knowledge may in turn guide bioengineers searching for ways to grow designer tissue.

Paper: "Holographic UV laser microsurgery," Jayasinghe et al., Biomedical Optics Express, Vol. 2, Issue 9, pp. 2590-2599. http://www.opticsinfobase.org/boe/abstract.cfm?uri=boe-2-9-2590

EDITOR'S NOTE: This summary is part of OSA's monthly Biomedical Optics Express tip sheet. To subscribe, email astark@osa.org or follow @OpticalSociety on Twitter. For images or interviews with authors, please contact Angela Stark, astark@osa.org or 202.416.1443.

About Biomedical Optics Express

Biomedical Optics Express is OSA's principal outlet for serving the biomedical optics community with rapid, open-access, peer-reviewed papers related to optics, photonics and imaging in the life sciences. The journal scope encompasses theoretical modeling and simulations, technology development, and biomedical studies and clinical applications. It is published by the Optical Society and edited by Joseph A. Izatt of Duke University. Biomedical Optics Express is an open-access journal and is available at no cost to readers online at http://www.OpticsInfoBase.org/BOE .

About OSA

Uniting more than 106,000 professionals from 134 countries, the Optical Society (OSA) brings together the global optics community through its programs and initiatives. Since 1916 OSA has worked to advance the common interests of the field, providing educational resources to the scientists, engineers and business leaders who work in the field by promoting the science of light and the advanced technologies made possible by optics and photonics. OSA publications, events, technical groups and programs foster optics knowledge and scientific collaboration among all those with an interest in optics and photonics. For more information, visit www.osa.org .

Biomedical Optics Express

Keywords

Article Information

Contact Information

Angela Stark
astark@osa.org

How to Cite This Article

APA:
Optica. (2011, September 13). Using lasers to vaporize tissue at multiple points simultaneously. Brightsurf News. https://www.brightsurf.com/news/LK5RYGW1/using-lasers-to-vaporize-tissue-at-multiple-points-simultaneously.html
MLA:
"Using lasers to vaporize tissue at multiple points simultaneously." Brightsurf News, Sep. 13 2011, https://www.brightsurf.com/news/LK5RYGW1/using-lasers-to-vaporize-tissue-at-multiple-points-simultaneously.html.