Bluesky Facebook Reddit Email

Researchers turn unzipped nanotubes into possible alternative for platinum

03.02.15 | Rice University

CalDigit TS4 Thunderbolt 4 Dock

CalDigit TS4 Thunderbolt 4 Dock simplifies serious desks with 18 ports for high-speed storage, monitors, and instruments across Mac and PC setups.


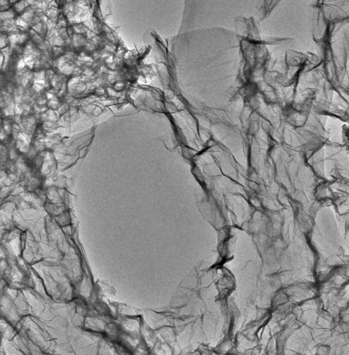
Graphene nanoribbons formed into a three-dimensional aerogel and enhanced with boron and nitrogen are excellent catalysts for fuel cells, even in comparison to platinum, according to Rice University researchers.

A team led by materials scientist Pulickel Ajayan and chemist James Tour made metal-free aerogels from graphene nanoribbons and various levels of boron and nitrogen to test their electrochemical properties. In tests involving half of the catalytic reaction that takes place in fuel cells, they discovered versions with about 10 percent boron and nitrogen were efficient in catalyzing what's known as an oxygen reduction reaction, a step in producing energy from feedstocks like methanol.

The research appeared in the American Chemical Society journal Chemistry of Materials .

Ajayan's Rice lab has excelled in turning nanostructures into macroscopic materials, like the oil-absorbing sponges invented in 2012 or, more recently, solid nanotube blocks with controllable densities and porosities. The new research combines those abilities with the Tour lab's 2009 method to unzip nanotubes into conductive graphene nanoribbons.

Researchers have come to realize that graphene's potential as a catalyst doesn't lie along the flat face but along the exposed edges where molecules prefer to interact. The Rice team chemically unzipped carbon nanotubes into ribbons and then collapsed them into porous, three-dimensional aerogels, simultaneously decorating the ribbons' edges with boron and nitrogen molecules.

The new material provides an abundance of active sites along the exposed edges for oxygen reduction reactions. Fuel cells turn hydrogen (or sources of hydrogen like methane) into electricity through a process that strips electrons at one and recombines them with hydrogen and oxygen where the circuit closes. The primary waste products are carbon dioxide and water for methanol or, from hydrogen, just water.

The reactions in most current fuel cells are catalyzed by platinum, but platinum's high cost has prompted the search for alternatives, Ajayan said.

"The key to developing carbon-based catalysts is in the doping process, especially with elements such as nitrogen and boron," he said. "The graphitic carbon-boron-nitrogen systems have thrown many surprises in recent years, especially as a viable alternative to platinum-based catalysts." The Rice process is unique, he said, because it not only exposes the edges but also provides porous conduits that allow reactants to permeate the material.

Simulations by Rice theoretical physicist Boris Yakobson and his students found that neither boron nor nitrogen doping alone would produce the desired reactions. Testing found that optimized boron/nitrogen aerogels were far better than platinum at avoiding the crossover effect, in which fuel like methanol permeates the polymer electrolyte that separates electrodes and degrades performance. The researchers observed no such effect in 5,000 cycles.

###

Rice graduate students Yongji Gong and Huilong Fei and postdoctoral researcher Xiaolong Zou are lead authors of the paper. Co-authors are Rice graduate students Gonglan Ye and Zhiwei Peng; Rice alumni Zheng Liu of Nanyang Technical University, Singapore, and Shubin Yang of Beihang University, Beijing; Wu Zhou of Oak Ridge National Laboratory; Jun Lou, an associate professor of materials science and nanoengineering at Rice; and Robert Vajtai, a senior faculty fellow in Rice's Department of Materials Science and NanoEngineering.

Yakobson is Rice's Karl F. Hasselmann Professor of Materials Science and NanoEngineering and a professor of chemistry. Tour is the T.T. and W.F. Chao Chair in Chemistry as well as a professor of materials science and nanoengineering and of computer science and a member of Rice's Richard E. Smalley Institute for Nanoscale Science and Technology. Ajayan is Rice's Benjamin M. and Mary Greenwood Anderson Professor in Engineering and a professor of materials science and nanoengineering and of chemistry.

Read the abstract at http://pubs.acs.org/doi/abs/10.1021/cm5037502

Follow Rice News and Media Relations via Twitter @RiceUNews

Related Materials:

Rice Department of Materials Science and NanoEngineering: http://msne.rice.edu

Ajayan Group: http://ajayan.rice.edu

Tour Group: http://www.jmtour.com

Yakobson Group: http://biygroup.blogs.rice.edu

Located on a 300-acre forested campus in Houston, Rice University is consistently ranked among the nation's top 20 universities by U.S. News & World Report. Rice has highly respected schools of Architecture, Business, Continuing Studies, Engineering, Humanities, Music, Natural Sciences and Social Sciences and is home to the Baker Institute for Public Policy. With 3,920 undergraduates and 2,567 graduate students, Rice's undergraduate student-to-faculty ratio is just over 6-to-1. Its residential college system builds close-knit communities and lifelong friendships, just one reason why Rice is highly ranked for best quality of life by the Princeton Review and for best value among private universities by Kiplinger's Personal Finance.

Chemistry of Materials

Keywords

Article Information

Contact Information

David Ruth
Rice University
david@rice.edu

How to Cite This Article

APA:
Rice University. (2015, March 2). Researchers turn unzipped nanotubes into possible alternative for platinum. Brightsurf News. https://www.brightsurf.com/news/12VG2OO1/researchers-turn-unzipped-nanotubes-into-possible-alternative-for-platinum.html
MLA:
"Researchers turn unzipped nanotubes into possible alternative for platinum." Brightsurf News, Mar. 2 2015, https://www.brightsurf.com/news/12VG2OO1/researchers-turn-unzipped-nanotubes-into-possible-alternative-for-platinum.html.