Bluesky Facebook Reddit Email

Pulp NonFiction: Fungal analysis reveals clues for targeted biomass deconstruction

03.22.12 | DOE/Joint Genome Institute

Anker Laptop Power Bank 25,000mAh (Triple 100W USB-C)

Anker Laptop Power Bank 25,000mAh (Triple 100W USB-C) keeps Macs, tablets, and meters powered during extended observing runs and remote surveys.


Without fungi and microbes to break down dead trees and leaf litter in nature, the forest floor might look like a scene from TV's "Hoarders."

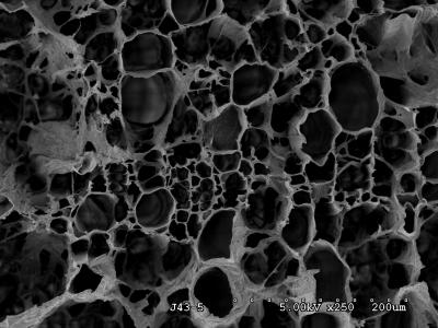
Massive-scale genome sequencing projects supported by the U.S. Department of Energy (DOE) and being carried out at the DOE Joint Genome Institute (JGI) highlight the importance of learning how the cellulose, hemicellulose and lignin that serve as a plant's infrastructure can be broken down by these forest organisms to extract needed nutrients. Among the fungi being studied are species that can selectively break down the cell wall components cellulose and lignin—the number one and two most abundant biopolymers on Earth.

In a study published online the week of March 19, 2012 in the Proceedings of the National Academy of Sciences, an international team of scientists presented a comparative genomic analysis of two white rot fungi whose genomes were generated and annotated at the DOE JGI under the Community Sequencing Program (CSP). Both the fungus Phanaerochaete chrysosporium (sequenced by DOE JGI in 2004), and its close relative Ceriporiopsis subvermispora are found all over the world and are of interest to bioenergy researchers because they possess enzymes that can break down plant biomass and could therefore be useful for accelerating biofuels production. The study revealed substantial differences among the sets of genes involved in lignocellulose degradation, providing further insight into the mechanics of how white rots do their dirty work.

"The fact that we have such a large group of people involved in this project is a clear demonstration that there's certainly interest in enzyme discovery," said study senior author and DOE JGI collaborator Dan Cullen of the U.S. Department of Agriculture Forest Service, Forest Products Laboratory (FPL). "In this particular case though, one would come away thinking more about the role of white rot fungi in the carbon cycle. Lignin is a recalcitrant compound in forest ecosystem biomass and very few fungi have the capability to degrade lignin. Even fewer fungi have the ability to selectively remove lignin at such an efficient rate. C. subvermispora is one exception in its ability to do just that."

Cullen and his colleagues compared the fungal genomes to learn more about the basis of C. subvermispora's ability to selectively break down lignin. Understanding this process of selective ligninolysis is of longstanding interest to the pulp and paper industry. According to the American Forest & Paper Association, approximately $175 billion worth of forest products such as pulp and paper are produced annually, and account for five percent of the nation's GDP.

Analyzing the diversity of wood-decaying fungi and cataloging enzymes involved in lignocellulose degradation is one of the goals of the DOE JGI Fungal Genomics Program led by Igor Grigoriev. "We are in the process of conducting functional comparative genomics of more than 20 such fungi sequenced or currently being sequenced at the DOE JGI," he said. "This should provide us a better understanding of the diverse and complex mechanisms of lignocellulose degradation in fungi, the influence of these mechanisms on carbon cycling in the forest ecosystem, and ultimately lead to improvements in biopulping."

Kent Kirk, a former FPL researcher who is considered a leading figure in the study of lignin degradation by fungi, provided perspective on how the current research could impact the pulp and paper industry. "This grew out of fundamental research by the University of Minnesota and the FPL where they applied the concept of 'biopulping'—the partial decay of wood by lignin-degrading fungi to decrease the energy required for mechanical pulping. Cerioporiopsis subvermispora quickly became the 'biopulper' of choice." Kirk described how wood chips treated with the fungus for two weeks required 30% less energy for pulping than untreated chips and how outdoor trials were repeatedly successful at the 50-ton scale. "The technology has not yet been commercially adopted, but as energy costs continue to rise, it should be increasingly attractive for implementation," Kirk said.

With detailed biochemical analyses conducted by study co-author Angel Martinez's team at the Spanish National Research Council (CSIC) in Madrid, Spain, the researchers found that the C. subvermispora genome had more manganese peroxidases and laccase—enzymes that may speed the degradation of lignin—than the P. chrysosporium genome. Martinez added that his group's work also revealed the presence of other lignin-degrading enzymes that had not previously been found in C. subvermispora cultures.

"Since Phanaerochaete doesn't have laccases, they're not absolutely necessary for lignin degradation," said Cullen, "though it could be that they're very important and play a role in Ceriporiopsis. The most persuasive part of the data are the expansion and expression of the manganese peroxidases, whose role in lignin degradation is more generally accepted."

Cullen added that the paper also suggests the cellulose-degrading portion of C. subvermispora's genome is "somewhat repressed" relative to P. chrysosporium, another angle of further study to understand the Ceriporiopsis genome's selectivity for lignin. "It could be both," he said, "There's not a simple clear final answer. To really make direct progress on understanding the mechanism of selective lignin degradation, will require development of more experimental tools, such as those for genetic analysis. That is what's next."

The DOE JGI, which has sequenced more fungi than any other institution in the world, recently issued the 2013 call for Community Sequencing Program (CSP) Letters of Intent for large-scale sequence-based genomic science projects. This call targets topics of relevance to DOE missions in alternative fuels, global carbon cycling, and biogeochemistry. Up to 50% of capacity for the 2013 CSP will be allocated for projects that address areas of plant and plant-microbe interactions, microbial emission and capture of greenhouse gases, metagenomics, and exploit such DOE JGI capabilities as single-cell genomics and DNA synthesis. For more information, go to http://1.usa.gov/JGI-CSP13 .

The U.S. Department of Energy Joint Genome Institute, supported by the DOE Office of Science, is committed to advancing genomics in support of DOE missions related to clean energy generation and environmental characterization and cleanup. DOE JGI, headquartered in Walnut Creek, Calif., provides integrated high-throughput sequencing and computational analysis that enable systems-based scientific approaches to these challenges. Follow @doe_jgi on Twitter.

DOE's Office of Science is the largest supporter of basic research in the physical sciences in the United States, and is working to address some of the most pressing challenges of our time. For more information, please visit science.energy.gov .

Proceedings of the National Academy of Sciences

Keywords

Article Information

Contact Information

David Gilbert
DOE/Joint Genome Institute
degilbert@lbl.gov

Source

How to Cite This Article

APA:
DOE/Joint Genome Institute. (2012, March 22). Pulp NonFiction: Fungal analysis reveals clues for targeted biomass deconstruction. Brightsurf News. https://www.brightsurf.com/news/8JX6DX7L/pulp-nonfiction-fungal-analysis-reveals-clues-for-targeted-biomass-deconstruction.html
MLA:
"Pulp NonFiction: Fungal analysis reveals clues for targeted biomass deconstruction." Brightsurf News, Mar. 22 2012, https://www.brightsurf.com/news/8JX6DX7L/pulp-nonfiction-fungal-analysis-reveals-clues-for-targeted-biomass-deconstruction.html.