Bluesky Facebook Reddit Email

The secret lives of mites in the skin of our faces

06.21.22 | University of Reading

GQ GMC-500Plus Geiger Counter

GQ GMC-500Plus Geiger Counter logs beta, gamma, and X-ray levels for environmental monitoring, training labs, and safety demonstrations.


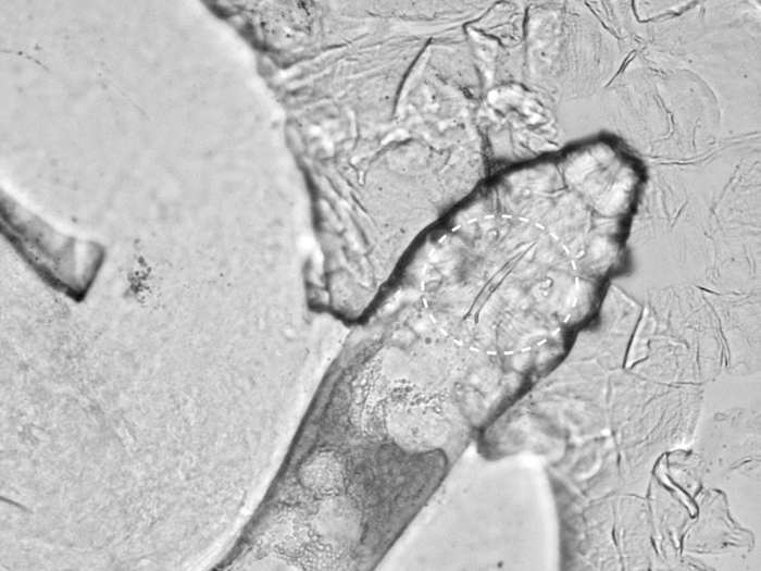
Microscopic mites that live in human pores and mate on our faces at night are becoming such simplified organisms due to their unusual lifestyles that they may soon become one with humans, new research has found.

The mites are passed on during birth and are carried by almost every human, with numbers peaking in adults as the pores grow bigger. They measure around 0.3mm long, are found in the hair follicles on the face and nipples, including the eyelashes, and eat the sebum naturally released by cells in the pores. They become active at night and move between follicles looking to mate.

The first ever genome sequencing study of the D. folliculorum mite found that their isolated existence and resulting inbreeding is causing them to shed unnecessary genes and cells and move towards a transition from external parasites to internal symbionts.

Dr Alejandra Perotti, Associate Professor in Invertebrate Biology at the University of Reading, who co-led the research, said: “We found these mites have a different arrangement of body part genes to other similar species due to them adapting to a sheltered life inside pores. These changes to their DNA have resulted in some unusual body features and behaviours.”

The in-depth study of the Demodex folliculorum DNA revealed:

The research was led by Bangor University and the University of Reading, in collaboration with the University of Valencia, University of Vienna and National University of San Juan. It is published in the journal Molecular Biology and Evolution .

Dr Henk Braig, co-lead author from Bangor University and the National University of San Juan, said: “Mites have been blamed for a lot of things. The long association with humans might suggest that they also could have simple but important beneficial roles, for example, in keeping the pores in our face unplugged.”

Molecular Biology and Evolution

10.1093/molbev/msac125

Observational study

Animals

Human follicular mites: Ectoparasites becoming symbionts

21-Jun-2022

Keywords

Article Information

Contact Information

Peter Bryant
University of Reading
p.g.bryant@reading.ac.uk

How to Cite This Article

APA:
University of Reading. (2022, June 21). The secret lives of mites in the skin of our faces. Brightsurf News. https://www.brightsurf.com/news/L59JO238/the-secret-lives-of-mites-in-the-skin-of-our-faces.html
MLA:
"The secret lives of mites in the skin of our faces." Brightsurf News, Jun. 21 2022, https://www.brightsurf.com/news/L59JO238/the-secret-lives-of-mites-in-the-skin-of-our-faces.html.